Call Us
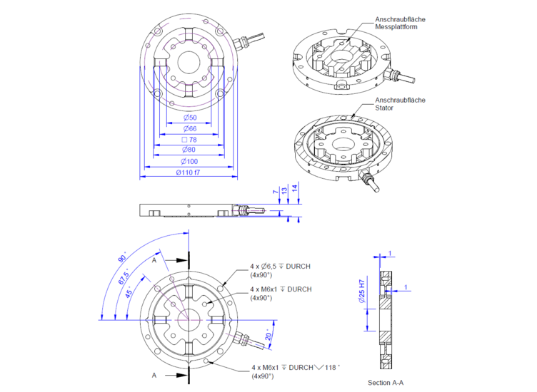
This force sensor is designed for low profile of only 14 mm thickness.
The force sensor is ideal for combination with the torque sensor TD110a.
Accessories: torque sensor TD110a
This force sensor is designed for low profile of only 14 mm thickness.
The force sensor is ideal for combination with the torque sensor TD110a.
Accessories: torque sensor TD110a
The force sensor KR110a is suitable for testing in the quality assurance and materials testing due to its compact form.
This precision force sensor is charakterized by flat construction of only 14 mm or 20 mm thickness.
This force sensor is designed for low profile of only 14 mm thickness.
The force sensor is ideal for combination with the torque sensor TD110a.
Accessories: torque sensor TD110a
The force sensor KR110a is suitable for testing in the quality assurance and materials testing due to its compact form.
This precision force sensor is charakterized by flat construction of only 14 mm or 20 mm thickness.