Distribution
+49 3302 89824 10
vertrieb@me-systeme.de
Support
+49 3302 89824 12
support@me-systeme.de
Planing
+49 3302 89824 20
planung@me-systeme.de
Call Us
Files
Drag & Drop files here or click to browse
File format supported: (.pdf, .zip, .docx, .png, .jpg .xlsx, .xls, .csv, .txt) & Max Filesize: 25mb
General information about selecting strain gauges.
Here you will find a selection of the most important strain gauge accessories.
Do you need help with gluing strain gauges?
In this section you will learn more about the steps of the strain gauges application.
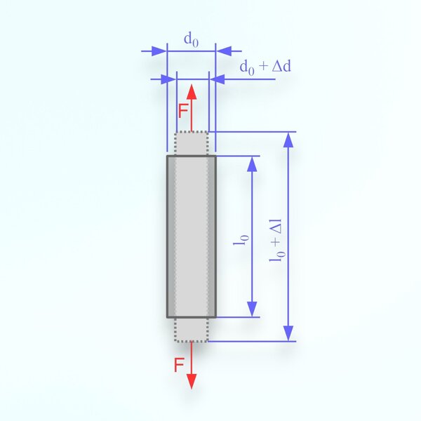
Basics, formulas and derivations of the Wheatstone bridge circuit.
Circuit variants with 1, 2 or 4 active strain gauges.
Relation between the strain in µm/m and the bridge output in mV/V for the full, half and quarter bridge.
Equations for stress analysis with strain gauge rosettes 0/45°/90°
Equations for shunt calibration with shunt resistor (shunt adjustment).
Frequently asked questions about strain.
Wiring diagrams for compensating mechanical disturbances for the most common loading cases, such as bending, torsion, normal force, shear strain.
Literature on strain gauge technology..
Strain gauge catalogues from the manufacturers Vishay and HBK
Derivations of elementary load cases, bending, axial force, torsion, ...