Call Us

We are ready to help

Request a special version

Didn't find what you were looking for?
This field cannot be empty.
This field must be at least 3 characters long.

Files

Drag & Drop files here or click to browse

File format supported: (.pdf, .zip, .docx, .png, .jpg .xlsx, .xls, .csv, .txt) & Max Filesize: 25mb

Need to be uploaded up 1 to 3 files.
File format supported: (.pdf, .zip, .docx, .png, .jpg .xlsx, .xls, .csv, .txt) & Max Filesize: 25mb
Leave your details so we can contact you
This field cannot be empty.
This field must be at least 3 characters long.
This field cannot be empty.
Please enter a valid email address.
This field cannot be empty.
Please enter a valid phone number.
This field cannot be empty.
Server error. Try again later.
Thank you!
We will send you a confirmation email and will contact you soon.
Don't have account yet? Register
Back to shopping

Measuring amplifier printed circuit boards

ME-Meßsysteme is a developer and manufacturer of measuring amplifiers and sensors. In the development of measurement amplifiers for sensors in strain gauge technology, such as. e.g. force sensors, torque sensors, strain transducers, etc., very high resolution requirements are placed: The (differential) output signal of the Wheatstone measuring bridge is a maximum of a few millivolts. This output signal should be resolved into, for example, 10,000 or 100,000 display steps, corresponding to 10 nanovolts to 100 nanovolts. Therefore, the highest demands are placed on the electronic components and the implementation of the electronic circuit.

The low signal amplitudes result in further requirements for the offset stability of the electronic circuit in the event of temperature changes, for the lowest possible power consumption, and for the suppression of electrical interference.

The signals from force sensors and torque sensors are also used to control electric drives, which in turn places high demands on electrical interference immunity and bandwidth.

Many requirements, such as the requirement for high bandwidth and high resolution with the lowest signal amplitudes and often the smallest dimensions, can often only be implemented with great knowledge and extensive experience in the field of analog circuit technology.

ME-Meßsysteme GmbH specializes in “strain gauge technology” and has 30 years of experience in the development and production of sensors and electronics.

Measuring amplifier circuit boards with analog output

ME-Meßsysteme offers a large range of measuring amplifier circuit boards.

These include circuit boards with continuous analog signal processing, and circuit boards with digital signal processing and conversion of the digitized signal into an analog output voltage or into an analog output current.

Measuring amplifier with analog signal processing

The measurement amplifiers with continuous analog signal processing include GSV-1L (production started in 1997) and GSV-5L (production started in 2021).

Both measuring amplifiers have an automatic zero-setting function, which is triggered by a digital “Tare” input. After the first analogue amplification stage, a voltage is added to the pre-amplified bridge signal so that, for example, 0V or 4mA is displayed at the output. The voltage to be added is modulated, for example, with a D/A converter or with a resistor network. The digital manipulated variable is stored in an EEprom so that the zero signal is retained even after a power interruption.

While the GSV-1L electronics still contain mechanical adjustment elements such as potentiometers, the more modern (and smaller) GSV-5L uses electronically switchable resistance networks.

The GSV-5L measuring amplifier has four switchable measuring ranges (gain levels), each of which is calibrated and adjusted to a 0.1% tolerance.

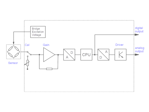
Measuring amplifier with digital signal processing and analog output

Measuring amplifiers with digital signal processing convert the signal into a digital signal with 16-bit or 24-bit resolution using an analog/digital converter. The signal is digitally filtered in a microprocessor and then converted back into an analog signal using a digital/analog converter.

The measuring amplifiers with digital signal processing and analog output include GSV-6L (start of production in 2015), GSV-13i (2018) and GSV-13q (2018).

Digital signal processing makes it possible for the measuring range to be adjusted "infinitely": The output signal can be scaled in the microprocessor so that exactly 10V or 5V or 20mA is displayed at the output at 100% of the output signal of the force sensor or torque sensor.

In addition to the “Tara” zero setting function, these measuring amplifiers have a “Scale” scaling function for adjusting the output signal to the measuring range of the sensor.

While the GSV-13i and GSV-13q provide the analog signal with 1000 samples per second (1 kS/s), the GSV-6L can be set by the user in terms of data frequency.

In addition, the output signal can be changed by the user by using the "Tara" and the "Scale" input for programming and the output signal during configuration as a display of status information in the so-called "ClickR-ClackR" menu.

MEASURING AMPLIFIER WITH ANALOG SIGNAL PROCESSING

Analog measuring amplifiers

Measuring amplifiers with analog signal processing from the first amplification stage to the analog output signal are used particularly when a high-quality signal is required. This is, for example, in the analysis of high-frequency signal components for "predictive maintenance", in research and development, for example in acoustics or fluid mechanics.

The achievable bandwidth is deliberately limited by the low pass at the end of the signal chain and technically by the gain bandwidth product of the differential amplifier at the beginning of the signal chain.

Messverstärker mit digitaler Signalverarbeitung

Analog measuring amplifiers with digital signal processing

Measuring amplifiers with digital signal processing digitize the amplified bridge signal with an analog/digital converter. Digital signal processing, e.g. filtering, scaling, zero signal adjustment, takes place in a microprocessor (CPU). The signal is then converted back into an analog voltage or current signal.

The signal processing with A/D conversion and D/A conversion and a CPU results in a latency compared to the purely analog signal path, which - depending on the A/D conversion principle and CPU - can be up to a few milliseconds.

With a data frequency of, for example, 1000 samples per second, signal components of up to 500 Hz can theoretically be recorded (Shannon sampling theorem). In practice, these measuring amplifiers record signals with a maximum of 100 Hz to 200 Hz.

bars-filter