Call Us
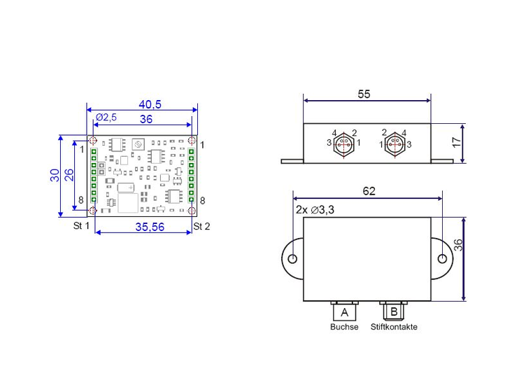
The module GSV-1M is a encapsulated version of the printed circuit board GSV-1L with miniature M8 connectors.
The high limiting frequency of 10 kHz is suitable for the detection of static and dynamic signals from sensors with strain gauges.
The automatic automatic zero adjustment store settings permanently in the nonvolatile memory also by voltage interruption.
The module GSV-1M is a encapsulated version of the printed circuit board GSV-1L with miniature M8 connectors.
The high limiting frequency of 10 kHz is suitable for the detection of static and dynamic signals from sensors with strain gauges.
The automatic automatic zero adjustment store settings permanently in the nonvolatile memory also by voltage interruption.